


Střídavý elektromotor s rotačním pláštěm pro modely letadel: větroň 1800g, trenér 1700g, akro 1300g, 3D 1050g, KV1000 ot./min na V, napájení Lixx 3-4s. Hřídel 5,0mm. Alternativní označení podle rozměrů statoru: 2814-850.

Motory KAVAN PRO jsou vysokovýkonné bezkomutátorové (střídavé, "brushless") čtrnáctipólové elektromotory s rotačním pláštěm ("outrunner") s vynikajícími elektrickými vlastnostmi, propracovanou konstrukcí a špičkovým výrobním zpracováním. Hřídele z tvrzené oceli a kvalitní ložiska zajišťují vysokou životnost, jakostní materiály použité pro zhotovení statoru i rotoru zaručují rovněž výborné výkonové parametry při vysoké účinnosti. Jsou to nízkootáčkové motory s velkým kroutícím momentem zvládající vrtule o velkém průměru i stoupání bez potřeby převodovky.
| Systém označování motorů: PRO xxYY-zzzz |
| PRO - střídavý motor s rotačním pláštěm ("outrunner", "oběžka") |
| xx - průměr motoru v mm |
| YY - délka motoru v mm |
| zzzz - počet otáček na volt (ot./min na V), „KV“ |
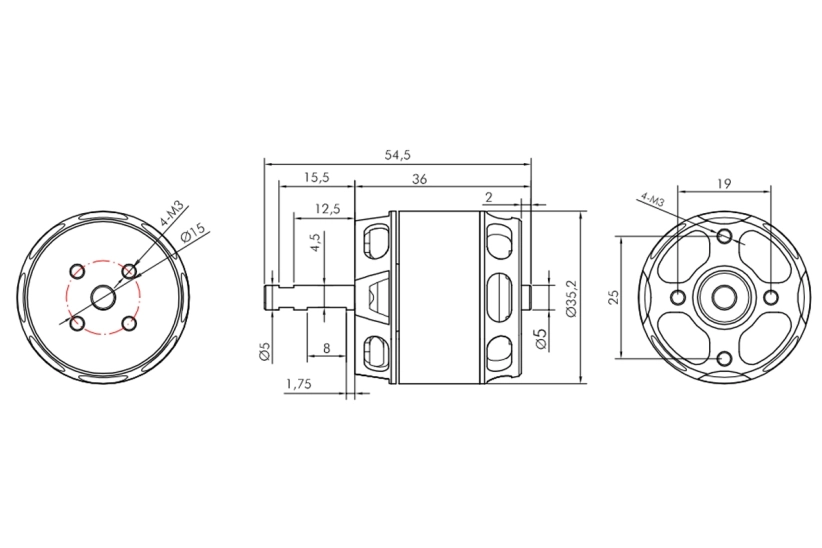
KAVAN PRO 3536-850
KAVAN PRO 3536-850 je střídavý motor učený pro pohon modelů s letovou hmotností do 1800 g s napájením z tříčlánkového až čtyřčlánkového akumulátoru LiPo. Výborně se hodí pro modely, jako je MULTIPLEX® Fun Cub, lehké termické větroně do 2500 mm jako Solius a Heron, 3D akrobaty – modely, jímž vyhovuje vrtule o velkém průměru s nízkými otáčkami.
Montáž motoru: KAVAN PRO 3536-850 je konstruován pro přední i zadní montáž. Při přední montáži za čelo motoru použijte čtyři šrouby M3, které zasahují do čela motoru v rozmezí 3,5-4 mm. Motorová přepážka by měla být ze 4 mm letecké překližky. Sada pro zadní montáž (upevňovací kříž, unašeč vrtule pro zadní montáž) je dodávána spolu s motorem.
Sada motoru obsahuje: střídavý motor KAVAN PRO 3536-850 s kabely s připájenými 3,5 mm zlacenými konektory, sadu pro zadní montáž. Úplný návod k obsluze motoru si můžete stáhnout zde: Střídavé motory KAVAN PRO - Návod k obsluze
Pozn.: Alternativní označení dle rozměrů statoru 2814-850.
| Napájení LiXX článků | 3 - 4 |
| Otáčky na volt [ot./min/V] | 850 |
| Max. výkon (180 s) [W] | 650 |
| Vnitřní odpor [mOhm] | 43 |
| Proud naprázdno (při 10 V) [A] | 1.2 |
| Max. špičkový proud (180 s) [A] | 45 |
| Průměr [mm] | 35.2 |
| Délka [mm] | 34 |
| Délka celková [mm] | 54.5 |
| Průměr hřídele [mm] | 5 |
| Hmotnost [g] | 108 |
| Počet pólů | 14 |
| Časování [°] | 20 - 25 |
| Regulátor [A] | 45 - 60 |
| Větroň do hmotnosti [g] | 1800 |
| Trenér do hmotnosti [g] | 1700 |
| Akrobat do hmotnosti [g] | 1300 |
| 3D do hmotnosti [g] | 1050 |
| Doporučená vrtule | 3S: 12x6"-13x6.5" |
| 4S: 10x5.5"-11x5.5" | |
Motory KAVAN PRO jsou vysokovýkonné bezkomutátorové (střídavé, "brushless") čtrnáctipólové elektromotory s rotačním pláštěm ("outrunner") s vynikajícími elektrickými vlastnostmi, propracovanou konstrukcí a špičkovým výrobním zpracováním. Hřídele z tvrzené oceli a kvalitní ložiska zajišťují vysokou životnost, jakostní materiály použité pro zhotovení statoru i rotoru zaručují rovněž výborné výkonové parametry při vysoké účinnosti. Jsou to nízkootáčkové motory s velkým kroutícím momentem zvládající vrtule o velkém průměru i stoupání bez potřeby převodovky.
| Systém označování motorů: PRO xxYY-zzzz |
| PRO - střídavý motor s rotačním pláštěm ("outrunner", "oběžka") |
| xx - průměr motoru v mm |
| YY - délka motoru v mm |
| zzzz - počet otáček na volt (ot./min na V), „KV“ |
KAVAN PRO 3536-850
KAVAN PRO 3536-850 je střídavý motor učený pro pohon modelů s letovou hmotností do 1800 g s napájením z tříčlánkového až čtyřčlánkového akumulátoru LiPo. Výborně se hodí pro modely, jako je MULTIPLEX® Fun Cub, lehké termické větroně do 2500 mm jako Solius a Heron, 3D akrobaty – modely, jímž vyhovuje vrtule o velkém průměru s nízkými otáčkami.
Montáž motoru: KAVAN PRO 3536-850 je konstruován pro přední i zadní montáž. Při přední montáži za čelo motoru použijte čtyři šrouby M3, které zasahují do čela motoru v rozmezí 3,5-4 mm. Motorová přepážka by měla být ze 4 mm letecké překližky. Sada pro zadní montáž (upevňovací kříž, unašeč vrtule pro zadní montáž) je dodávána spolu s motorem.
Sada motoru obsahuje: střídavý motor KAVAN PRO 3536-850 s kabely s připájenými 3,5 mm zlacenými konektory, sadu pro zadní montáž. Úplný návod k obsluze motoru si můžete stáhnout zde: Střídavé motory KAVAN PRO - Návod k obsluze
Pozn.: Alternativní označení dle rozměrů statoru 2814-850.
| Napájení LiXX článků | 3 - 4 |
| Otáčky na volt [ot./min/V] | 850 |
| Max. výkon (180 s) [W] | 650 |
| Vnitřní odpor [mOhm] | 43 |
| Proud naprázdno (při 10 V) [A] | 1.2 |
| Max. špičkový proud (180 s) [A] | 45 |
| Průměr [mm] | 35.2 |
| Délka [mm] | 34 |
| Délka celková [mm] | 54.5 |
| Průměr hřídele [mm] | 5 |
| Hmotnost [g] | 108 |
| Počet pólů | 14 |
| Časování [°] | 20 - 25 |
| Regulátor [A] | 45 - 60 |
| Větroň do hmotnosti [g] | 1800 |
| Trenér do hmotnosti [g] | 1700 |
| Akrobat do hmotnosti [g] | 1300 |
| 3D do hmotnosti [g] | 1050 |
| Doporučená vrtule | 3S: 12x6"-13x6.5" |
| 4S: 10x5.5"-11x5.5" | |
Záleží vám na budoucnosti? Nám ano. Pojďte s námi chránit planetu – začněte správným tříděním elektroodpadu a baterií, je to jednodušší, než si myslíte.
Ochrání Safe bag RMT Models vaše akumulátory během jejich nabíjení, přenášení a skladování? Otestovali jsme nejen to, ale i jaké akumulátory se do něj vejdou a jak se s ním manipuluje.
Nevyznáte se v obrovském množství typů servomotorů? V následujícím článku se dozvíte, co to vlastně serva jsou, jak se dělí, jak se označují a jak se o ně starat.
Víte, co znamenají všechna ta písmenka a čísla v označení Li-pol akumulátorů? Jak se o ně starat nebo jaké mají výhody a nevýhody? To vše zjistíte v našem článku.
Víte, jaké existují typy Ni-MH akumulátorů? Jaké jsou jejich výhody a nevýhody? Jak je správně nabíjet a starat se o ně? Vše důležité si přečtete v našem článku.
Jak se vyznat v nepřeberném množství konektorů a zdířek? Podívejte se na nejpoužívanější typy, na jejich použitelnost, konektorové redukce, velikosti a také na správné pájení.
Jak prostředník mezi akumulátorem a motorem funguje? Jak regulátor vybrat? Jaké jsou nejčastější poruchy regulátorů? Pojďte se dozvědět víc.
Víte, jak se elektromotory rozdělují, jak se různé typy motorů chovají v terénu, jaká se používají označení motorů a co může motor vašeho RC auta definitivně poškodit?
Ztrácíte se v názvosloví mód 1, mód 2, mód 3 nebo mód 4? Přečtěte si náš článek, kde jednoduše zjistíte, co jsou vysílačové módy a jak vybrat ten správný.
V tomto článku vám vysvětlíme rozdíly mezi jednotlivými typy baterií, jak baterie nabíjet, skladovat a jak je to s bezpečností nabíjení.
Na okraji Tršic vzniklo místo, které dokazuje, co se stane, když se spojí nadšení s lopatou a vizí. Dnes má 36 000 m², vlastní legendy, stovky fanoušků a atmosféru, kterou jinde nenajdete. Přečtete si víc o projektu, který začal nenápadně a skončil jako fenomén.
Parta nadšenců z Náchoda vzala lopaty, pár nápadů a velký sen. Výsledek? Jeden z nejkrásnějších RC parků v Česku. Jak to všechno vzniklo a kam míří dál?
Projekt digitalizace společnosti RCprofi s.r.o. je spolufinancován Evropskou unií. Cílem projektu je digitalizace a automatizace procesů společnosti.
Novinka pro začínající i pokročilé letce, to je nový vrtulník od firmy RMT s názvem DragonFly 250. Jedná se o jednorotorový vrtulník v kompaktním provedení s kterým si můžete zalétat jak doma tak i venku. Více o tomto modelu se dozvíte v naší recenzi.
Nová buggy Across Unlimited navazuje na velice oblíbený model Across. Nově zde najdete silnější servo a kovové převody zabalené v atraktivním designu. Díky pohonu 4x4 a možnosti snížení maximální rychlosti si s model užijí jezdci všech věkových kategorií.
Nákup nákladního automobilu je spolufinancován Evropskou unií. Cílem projektu bylo pořídit nákladní vůz kategorie N.