


Střídavý elektromotor s rotačním pláštěm pro modely letadel: větroň 300g, trenér 280g, akro 250g, 3D 200g, KV1500 ot./min na V, napájení Lixx 2-3s. Hřídel 4,0mm/gumičkový unašeč 5,5mm. Alternativní označení podle rozměrů statoru: 2206-1500.

Motory KAVAN PRO jsou vysokovýkonné bezkomutátorové (střídavé, "brushless") čtrnáctipólové elektromotory s rotačním pláštěm ("outrunner") s vynikajícími elektrickými vlastnostmi, propracovanou konstrukcí a špičkovým výrobním zpracováním. Hřídele z tvrzené oceli a kvalitní ložiska zajišťují vysokou životnost, jakostní materiály použité pro zhotovení statoru i rotoru zaručují rovněž výborné výkonové parametry při vysoké účinnosti. Jsou to nízkootáčkové motory s velkým kroutícím momentem zvládající vrtule o velkém průměru i stoupání bez potřeby převodovky.
| Systém označování motorů: PRO xxYY-zzzz |
| PRO - střídavý motor s rotačním pláštěm ("outrunner", "oběžka") |
| xx - průměr motoru v mm |
| YY - délka motoru v mm |
| zzzz - počet otáček na volt (ot./min na V), „KV“ |
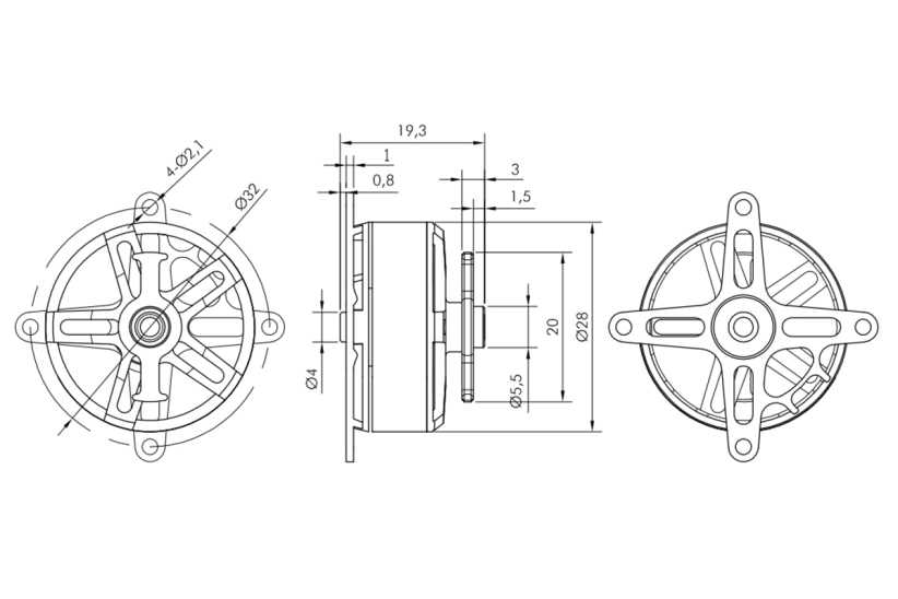
KAVAN PRO 2813-1500
KAVAN PRO 2813-1500 je miniaturní střídavý motor učený pro pohon malých modelů s letovou hmotností do 300 g s napájením z dvoučlánkového nebo tříčlánkového akumulátoru LiPo. S jeho pomocí můžete úspěšně "elektrifikovat" např. gumáčky ze stavebnic Guillow's nebo Dumas s rozpětím do cca 1200 mm, výborný je i pro park-flyery a halové akrobatické modely.
Montáž motoru: KAVAN PRO 2813-1500 je konstruován pro zadní montáž s vrtulí upevněnou pomocí gumičkového unašeče (Ø5,5 mm). Při montáži použijte nejméně dva (protilehlé), nebo čtyři šrouby M2. Motorová přepážka by měla být z 1-1,5 mm letecké překližky. Upevňovací kříž je součástí motoru.
Sada motoru obsahuje: motor KAVAN PRO 2813-1500 s kabely (bez konektorů), příslušenství gumičkového unašeče. Úplný návod k obsluze motoru si můžete stáhnout zde: Střídavé motory KAVAN PRO - Návod k obsluze
Pozn.: Alternativní označení dle rozměrů statoru 2206-1500.
| Napájení LiXX článků | 2 - 3 |
| Otáčky na volt [ot./min/V] | 1500 |
| Max. výkon (180 s) [W] | 170 |
| Vnitřní odpor [mOhm] | 96.5 |
| Proud naprázdno (při 10 V) [mA] | 700 |
| Max. špičkový proud (180 s) [A] | 15 |
| Průměr [mm] | 28 |
| Délka [mm] | 13.3 |
| Délka celková [mm] | 19.3 |
| Průměr hřídele [mm] | 4 |
| Hmotnost [g] | 27.6 |
| Počet pólů | 14 |
| Časování [°] | 20 - 25 |
| Regulátor [A] | 15 - 20 |
| Větroň do hmotnosti [g] | 300 |
| Trenér do hmotnosti [g] | 280 |
| Akrobat do hmotnosti [g] | 250 |
| 3D do hmotnosti [g] | 200 |
| Doporučená vrtule | 2S: 9x5"-10x6" |
| 3S: 8x4" | |
Motory KAVAN PRO jsou vysokovýkonné bezkomutátorové (střídavé, "brushless") čtrnáctipólové elektromotory s rotačním pláštěm ("outrunner") s vynikajícími elektrickými vlastnostmi, propracovanou konstrukcí a špičkovým výrobním zpracováním. Hřídele z tvrzené oceli a kvalitní ložiska zajišťují vysokou životnost, jakostní materiály použité pro zhotovení statoru i rotoru zaručují rovněž výborné výkonové parametry při vysoké účinnosti. Jsou to nízkootáčkové motory s velkým kroutícím momentem zvládající vrtule o velkém průměru i stoupání bez potřeby převodovky.
| Systém označování motorů: PRO xxYY-zzzz |
| PRO - střídavý motor s rotačním pláštěm ("outrunner", "oběžka") |
| xx - průměr motoru v mm |
| YY - délka motoru v mm |
| zzzz - počet otáček na volt (ot./min na V), „KV“ |
KAVAN PRO 2813-1500
KAVAN PRO 2813-1500 je miniaturní střídavý motor učený pro pohon malých modelů s letovou hmotností do 300 g s napájením z dvoučlánkového nebo tříčlánkového akumulátoru LiPo. S jeho pomocí můžete úspěšně "elektrifikovat" např. gumáčky ze stavebnic Guillow's nebo Dumas s rozpětím do cca 1200 mm, výborný je i pro park-flyery a halové akrobatické modely.
Montáž motoru: KAVAN PRO 2813-1500 je konstruován pro zadní montáž s vrtulí upevněnou pomocí gumičkového unašeče (Ø5,5 mm). Při montáži použijte nejméně dva (protilehlé), nebo čtyři šrouby M2. Motorová přepážka by měla být z 1-1,5 mm letecké překližky. Upevňovací kříž je součástí motoru.
Sada motoru obsahuje: motor KAVAN PRO 2813-1500 s kabely (bez konektorů), příslušenství gumičkového unašeče. Úplný návod k obsluze motoru si můžete stáhnout zde: Střídavé motory KAVAN PRO - Návod k obsluze
Pozn.: Alternativní označení dle rozměrů statoru 2206-1500.
| Napájení LiXX článků | 2 - 3 |
| Otáčky na volt [ot./min/V] | 1500 |
| Max. výkon (180 s) [W] | 170 |
| Vnitřní odpor [mOhm] | 96.5 |
| Proud naprázdno (při 10 V) [mA] | 700 |
| Max. špičkový proud (180 s) [A] | 15 |
| Průměr [mm] | 28 |
| Délka [mm] | 13.3 |
| Délka celková [mm] | 19.3 |
| Průměr hřídele [mm] | 4 |
| Hmotnost [g] | 27.6 |
| Počet pólů | 14 |
| Časování [°] | 20 - 25 |
| Regulátor [A] | 15 - 20 |
| Větroň do hmotnosti [g] | 300 |
| Trenér do hmotnosti [g] | 280 |
| Akrobat do hmotnosti [g] | 250 |
| 3D do hmotnosti [g] | 200 |
| Doporučená vrtule | 2S: 9x5"-10x6" |
| 3S: 8x4" | |
Záleží vám na budoucnosti? Nám ano. Pojďte s námi chránit planetu – začněte správným tříděním elektroodpadu a baterií, je to jednodušší, než si myslíte.
Ochrání Safe bag RMT Models vaše akumulátory během jejich nabíjení, přenášení a skladování? Otestovali jsme nejen to, ale i jaké akumulátory se do něj vejdou a jak se s ním manipuluje.
Nevyznáte se v obrovském množství typů servomotorů? V následujícím článku se dozvíte, co to vlastně serva jsou, jak se dělí, jak se označují a jak se o ně starat.
Víte, co znamenají všechna ta písmenka a čísla v označení Li-pol akumulátorů? Jak se o ně starat nebo jaké mají výhody a nevýhody? To vše zjistíte v našem článku.
Víte, jaké existují typy Ni-MH akumulátorů? Jaké jsou jejich výhody a nevýhody? Jak je správně nabíjet a starat se o ně? Vše důležité si přečtete v našem článku.
Jak se vyznat v nepřeberném množství konektorů a zdířek? Podívejte se na nejpoužívanější typy, na jejich použitelnost, konektorové redukce, velikosti a také na správné pájení.
Jak prostředník mezi akumulátorem a motorem funguje? Jak regulátor vybrat? Jaké jsou nejčastější poruchy regulátorů? Pojďte se dozvědět víc.
Víte, jak se elektromotory rozdělují, jak se různé typy motorů chovají v terénu, jaká se používají označení motorů a co může motor vašeho RC auta definitivně poškodit?
Ztrácíte se v názvosloví mód 1, mód 2, mód 3 nebo mód 4? Přečtěte si náš článek, kde jednoduše zjistíte, co jsou vysílačové módy a jak vybrat ten správný.
V tomto článku vám vysvětlíme rozdíly mezi jednotlivými typy baterií, jak baterie nabíjet, skladovat a jak je to s bezpečností nabíjení.
Na okraji Tršic vzniklo místo, které dokazuje, co se stane, když se spojí nadšení s lopatou a vizí. Dnes má 36 000 m², vlastní legendy, stovky fanoušků a atmosféru, kterou jinde nenajdete. Přečtete si víc o projektu, který začal nenápadně a skončil jako fenomén.
Parta nadšenců z Náchoda vzala lopaty, pár nápadů a velký sen. Výsledek? Jeden z nejkrásnějších RC parků v Česku. Jak to všechno vzniklo a kam míří dál?
Projekt digitalizace společnosti RCprofi s.r.o. je spolufinancován Evropskou unií. Cílem projektu je digitalizace a automatizace procesů společnosti.
Novinka pro začínající i pokročilé letce, to je nový vrtulník od firmy RMT s názvem DragonFly 250. Jedná se o jednorotorový vrtulník v kompaktním provedení s kterým si můžete zalétat jak doma tak i venku. Více o tomto modelu se dozvíte v naší recenzi.
Nová buggy Across Unlimited navazuje na velice oblíbený model Across. Nově zde najdete silnější servo a kovové převody zabalené v atraktivním designu. Díky pohonu 4x4 a možnosti snížení maximální rychlosti si s model užijí jezdci všech věkových kategorií.
Nákup nákladního automobilu je spolufinancován Evropskou unií. Cílem projektu bylo pořídit nákladní vůz kategorie N.