



Střídavý elektromotor s rotačním pláštěm pro modely letadel: větroň 450g, trenér 450g, akro 400g, 3D 330g, KV1000 ot./min na V, napájení Lixx 2-3s, hřídel 3.175 mm.

Motory KAVAN C jsou výkonné bezkomutátorové (střídavé, "brushless") čtrnáctipólové elektromotory s rotačním pláštěm ("outrunner") s výbornými elektrickými vlastnostmi, propracovanou konstrukcí a výborným výrobním zpracováním. Představují velmi dobrou volbu pro pohon vašich rekreačně-sportovních modelů s výbornými výkonovými parametry, dobrou účinností a příznivou cenou. Jsou to nízkootáčkové motory s velkým točivým momentem zvládající vrtule o velkém průměru i stoupání bez potřeby převodovky.
| Systém označování motorů: CxxYY-zzzz |
| C - střídavý motor s rotačním pláštěm ("outrunner", "oběžka") |
| xx - průměr motoru v mm |
| YY - délka motoru v mm |
| zzzz - počet otáček na volt (ot./min na V), „KV“ |
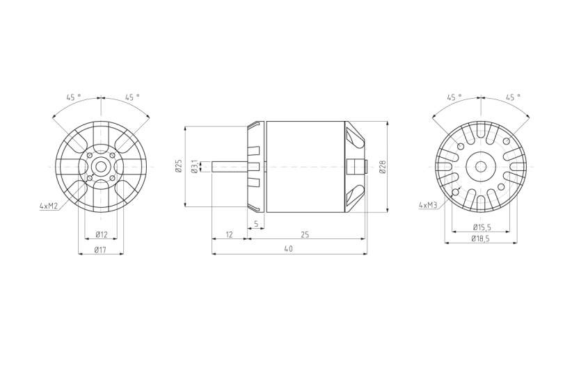
KAVAN C2826-1000 je miniaturní střídavý motor učený pro pohon malých modelů s letovou hmotností do 450 g s napájením z dvoučlánkového nebo tříčlánkového akumulátoru Li-poly. S jeho pomocí můžete úspěšně "elektrifikovat" např. velké gumáčky ze stavebnic Guillow's nebo Dumas s rozpětím cca 800-1200 mm, výborný je i pro RC park-flyery Dumas.
Montáž motoru: C2826-1000 je konstruován pro přední i zadní montáž. Při přední montáži za čelo motoru použijte nejméně dva (protilehlé), nebo čtyři šrouby M3, které zasahují do čela motoru v rozmezí 3 - 4 mm. Páry otvorů pro upevňovací šrouby v čele motoru jsou rozmístěny pravidelně o 180°na kružnicích o průměru 16 a 19 mm. Motorová přepážka by měla být z 2 mm letecké překližky. Sada pro zadní montáž (upevňovací kříž, unašeč vrtule pro zadní motáž) je dodávána spolu s motorem.
Sada motoru obsahuje: motor C2826-1000 s kabely s připájenými 3,5 mm zlacenými konektory, sadu pro zadní montáž, návod.
| Napájení LiXX článků | 2 - 3 |
| Otáčky na Volt [ot./min/V] | 1000 |
| Max. výkon (30 s/3S LiPo) [W] | 110 |
| Proud naprázdno (2S) [mA] | 400 |
| Max. špičkový proud (30 s) [A] | 13 |
| Průměr [mm] | 27.8 |
| Délka [mm] | 27 |
| Průměr hřídele [mm] | 3.175 |
| Hmotnost [g] | 50 |
| Počet pólů | 14 |
| Časování [°] | 15 - 25 |
| Regulátor [A] | 15 - 20 |
| Větroň do hmotnosti [g] | 450 |
| Trenér do hmotnosti [g] | 450 |
| Akrobat do hmotnosti [g] | 400 |
| 3D do hmotnosti [g] | 330 |
| Doporučená vrtule | 2S: 10x5” |
| 3S: 9x5” | |
Motory KAVAN C jsou výkonné bezkomutátorové (střídavé, "brushless") čtrnáctipólové elektromotory s rotačním pláštěm ("outrunner") s výbornými elektrickými vlastnostmi, propracovanou konstrukcí a výborným výrobním zpracováním. Představují velmi dobrou volbu pro pohon vašich rekreačně-sportovních modelů s výbornými výkonovými parametry, dobrou účinností a příznivou cenou. Jsou to nízkootáčkové motory s velkým točivým momentem zvládající vrtule o velkém průměru i stoupání bez potřeby převodovky.
| Systém označování motorů: CxxYY-zzzz |
| C - střídavý motor s rotačním pláštěm ("outrunner", "oběžka") |
| xx - průměr motoru v mm |
| YY - délka motoru v mm |
| zzzz - počet otáček na volt (ot./min na V), „KV“ |
KAVAN C2826-1000 je miniaturní střídavý motor učený pro pohon malých modelů s letovou hmotností do 450 g s napájením z dvoučlánkového nebo tříčlánkového akumulátoru Li-poly. S jeho pomocí můžete úspěšně "elektrifikovat" např. velké gumáčky ze stavebnic Guillow's nebo Dumas s rozpětím cca 800-1200 mm, výborný je i pro RC park-flyery Dumas.
Montáž motoru: C2826-1000 je konstruován pro přední i zadní montáž. Při přední montáži za čelo motoru použijte nejméně dva (protilehlé), nebo čtyři šrouby M3, které zasahují do čela motoru v rozmezí 3 - 4 mm. Páry otvorů pro upevňovací šrouby v čele motoru jsou rozmístěny pravidelně o 180°na kružnicích o průměru 16 a 19 mm. Motorová přepážka by měla být z 2 mm letecké překližky. Sada pro zadní montáž (upevňovací kříž, unašeč vrtule pro zadní motáž) je dodávána spolu s motorem.
Sada motoru obsahuje: motor C2826-1000 s kabely s připájenými 3,5 mm zlacenými konektory, sadu pro zadní montáž, návod.
| Napájení LiXX článků | 2 - 3 |
| Otáčky na Volt [ot./min/V] | 1000 |
| Max. výkon (30 s/3S LiPo) [W] | 110 |
| Proud naprázdno (2S) [mA] | 400 |
| Max. špičkový proud (30 s) [A] | 13 |
| Průměr [mm] | 27.8 |
| Délka [mm] | 27 |
| Průměr hřídele [mm] | 3.175 |
| Hmotnost [g] | 50 |
| Počet pólů | 14 |
| Časování [°] | 15 - 25 |
| Regulátor [A] | 15 - 20 |
| Větroň do hmotnosti [g] | 450 |
| Trenér do hmotnosti [g] | 450 |
| Akrobat do hmotnosti [g] | 400 |
| 3D do hmotnosti [g] | 330 |
| Doporučená vrtule | 2S: 10x5” |
| 3S: 9x5” | |
Záleží vám na budoucnosti? Nám ano. Pojďte s námi chránit planetu – začněte správným tříděním elektroodpadu a baterií, je to jednodušší, než si myslíte.
Ochrání Safe bag RMT Models vaše akumulátory během jejich nabíjení, přenášení a skladování? Otestovali jsme nejen to, ale i jaké akumulátory se do něj vejdou a jak se s ním manipuluje.
Nevyznáte se v obrovském množství typů servomotorů? V následujícím článku se dozvíte, co to vlastně serva jsou, jak se dělí, jak se označují a jak se o ně starat.
Víte, co znamenají všechna ta písmenka a čísla v označení Li-pol akumulátorů? Jak se o ně starat nebo jaké mají výhody a nevýhody? To vše zjistíte v našem článku.
Víte, jaké existují typy Ni-MH akumulátorů? Jaké jsou jejich výhody a nevýhody? Jak je správně nabíjet a starat se o ně? Vše důležité si přečtete v našem článku.
Jak se vyznat v nepřeberném množství konektorů a zdířek? Podívejte se na nejpoužívanější typy, na jejich použitelnost, konektorové redukce, velikosti a také na správné pájení.
Jak prostředník mezi akumulátorem a motorem funguje? Jak regulátor vybrat? Jaké jsou nejčastější poruchy regulátorů? Pojďte se dozvědět víc.
Víte, jak se elektromotory rozdělují, jak se různé typy motorů chovají v terénu, jaká se používají označení motorů a co může motor vašeho RC auta definitivně poškodit?
Ztrácíte se v názvosloví mód 1, mód 2, mód 3 nebo mód 4? Přečtěte si náš článek, kde jednoduše zjistíte, co jsou vysílačové módy a jak vybrat ten správný.
V tomto článku vám vysvětlíme rozdíly mezi jednotlivými typy baterií, jak baterie nabíjet, skladovat a jak je to s bezpečností nabíjení.
Na okraji Tršic vzniklo místo, které dokazuje, co se stane, když se spojí nadšení s lopatou a vizí. Dnes má 36 000 m², vlastní legendy, stovky fanoušků a atmosféru, kterou jinde nenajdete. Přečtete si víc o projektu, který začal nenápadně a skončil jako fenomén.
Parta nadšenců z Náchoda vzala lopaty, pár nápadů a velký sen. Výsledek? Jeden z nejkrásnějších RC parků v Česku. Jak to všechno vzniklo a kam míří dál?
Projekt digitalizace společnosti RCprofi s.r.o. je spolufinancován Evropskou unií. Cílem projektu je digitalizace a automatizace procesů společnosti.
Novinka pro začínající i pokročilé letce, to je nový vrtulník od firmy RMT s názvem DragonFly 250. Jedná se o jednorotorový vrtulník v kompaktním provedení s kterým si můžete zalétat jak doma tak i venku. Více o tomto modelu se dozvíte v naší recenzi.
Nová buggy Across Unlimited navazuje na velice oblíbený model Across. Nově zde najdete silnější servo a kovové převody zabalené v atraktivním designu. Díky pohonu 4x4 a možnosti snížení maximální rychlosti si s model užijí jezdci všech věkových kategorií.
Nákup nákladního automobilu je spolufinancován Evropskou unií. Cílem projektu bylo pořídit nákladní vůz kategorie N.